O desenvolvimento de métodos para a soldagem do alumínio e suas ligas abriu um novo segmento de mercado em aplicações, como pontes, construções, transportes (embarcações, trens e automóveis), etc. O alumínio e suas ligas podem ser soldados satisfatoriamente com a escolha adequada da liga de adição, por meio da utilização de técnicas apropriadas, visto que as linhas de solda são bastante resistentes para as suas várias aplicações.
A escolha do processo de soldagem é determinada pela espessura do material, tipo de cordão de solda, requisitos de qualidade, aparência e custo. A soldagem envolve a fusão conjunta das bordas a serem unidas, freqüentemente pela adição de metal líquido para preencher um canal com a forma de V. O cordão de solda é composto, parcial ou totalmente, por um metal-base de ressolidificação com uma estrutura bruta de fusão. Tradicionalmente, a solda de oxiacetileno utiliza um fluxo de sal líquido para dissolver o óxido de alumínio e cobrir o metal líquido. A maioria dos métodos modernos protege o alumínio líquido com um gás inerte (argônio ou hélio), sendo que os dois processos mais conhecidos e utilizados são o MIG e o TIG, descritos a seguir:
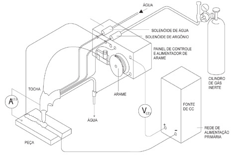
A soldagem MIG é um processo em que o arco elétrico, obtido por meio de uma corrente contínua, é estabelecido entre a peça e um arame de alumínio ou liga de alumínio, que combina as funções de eletrodo e metal de adição, numa atmosfera de gás inerte. No processo MIG o eletrodo é sempre o pólo positivo do arco elétrico. Utilizando-se as versões automática e semi-automática é possível soldar o alumínio desde espessuras finas, cerca de 1,0 mm, até espessuras sem limite.
Tal como no processo TIG, o gás inerte protege a região do arco contra a contaminação atmosférica durante a soldagem. Na soldagem MIG do alumínio, normalmente, são utilizados os gases argônio, hélio ou uma mistura de argônio/hélio.
O processo TIG é o mais aplicado na soldagem das ligas de alumínio e foi o primeiro a ser desenvolvido com proteção de gás inerte adequado para soldar o alumínio. Na soldagem TIG, o arco elétrico é estabelecido entre um eletrodo de tungstênio não consumível e a peça, numa atmosfera de gás inerte. Neste processo, o arco elétrico pode ser obtido por meio de corrente alternada (CA), corrente contínua (CC) e eletrodo positivo ou corrente contínua e eletrodo negativo.